• 05334568991
淄博辰威泵业有限公司
  • 网站首页
  • 关于我们
  • 产品展示
    • 液下泵
    • 清水泵
    • 渣浆泵
    • 污水泵
    • 深井泵
    • 潜水渣浆泵
    • 真空泵
    • 热油泵
    • 中开泵
    • 循环泵
    • ZX自吸泵
    • 化工泵
    • 氟塑泵
    • 液氨泵
    • 管道泵
    • 减速机
    • 陶瓷机械
  • 新闻动态
  • 环保公示
  • 联系我们

环保公示

  1. 网站首页
  2. 环保公示

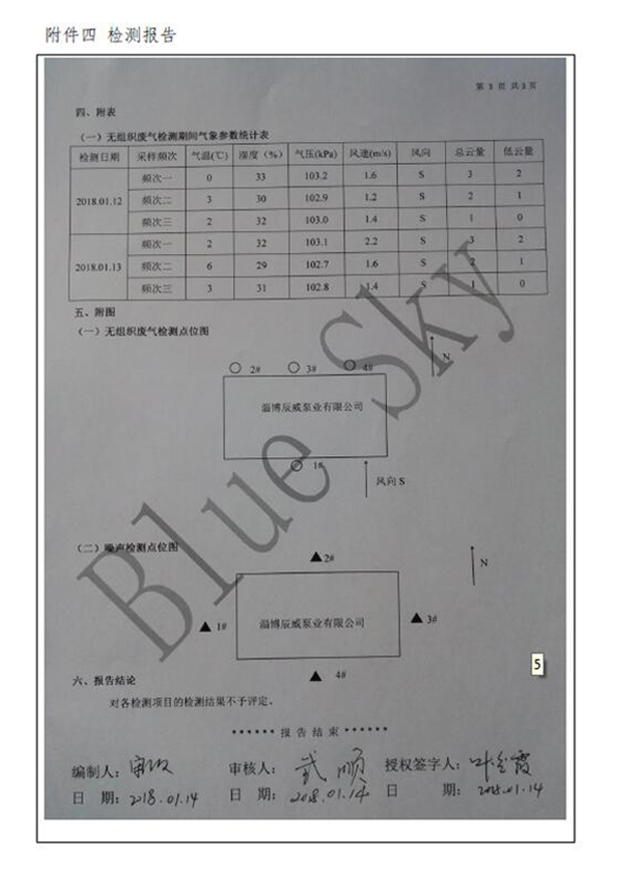
检测报告

  • 2020/11/16


上一篇
下一篇
山东辰威泵业有限公司
  • 电话:0533-4568991
  • 网址:www.chenweibengye.com
  • 地址:山东省淄博市博山区

免责声明:本站如果有涉及版权方面的问题,请及时联系我们予以删除。